功率器件動態參數測試系統DT10-華普通用
產品描述
功率器件動態參數測試系統
專業測試SiC及Si基IGBT、MOSFET動態時間參數特性,測試范圍可達3500V 4000A
l 3500V 4000A超寬測試范圍
l 適用于全種類的功率器件
l 模塊化設計,適應不同需求
l 可滿足定制化需求
l 卓越的測試性能
l 中文系統,用戶友好性
l 高可靠性
動態測試項目
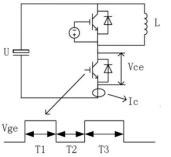
l 開通測試:Tdon、Tr、Ton、Eon
l 關斷測試:Tdoff、Tf、Toff、 Eoff
l 柵極特性:Qg
l 反向恢復測試:Trr、Qrr、Irm、Erec
l SC:Idmax、Vdsmax
適用產品
l 兼容各種封裝方式的:Si基,SiC基的各種功率器件單管及模塊
項目 | 內容 | 平臺設計值 | 備注 |
工作 環境 | 設備輸入電壓 | 220V | ±10% |
設備輸入頻率 | 50HZ | ±5% | |
設備輸入電流 | <45A | / | |
驅動 電壓 | Vge | Vgon=0~+30V可調 Vgoff=0~-30V可調(5V≤Vgon-Vgoff≤30V) | 通過計算機設定;精度±3% |
脈沖 寬度 | 單、雙脈沖時間可調 | <4us(總時間) | 通過計算機設定 |
母線電壓 | 波動范圍 | ±3% | / |
功率回路寄生電感 | 寄生電感 | <15nH | / |
開關特性 | 開通特性 | Td(on): 5-400ns Tr: 5-400ns Ton: 5-1000ns Eon:1-500mJ | 1. Rgon/Rgoff=客戶焊接電阻 2. 開通測試發雙脈沖,脈沖時間在計算機輸入,<4us(總時間) 3. 關斷測試發單脈沖,脈沖時間在計算機輸入,<4us(總時間) 4. 分辨率:0.1ns 5. 測試精度±5% |
關斷特性 | Td(off):5-400ns Tf: 5-400ns Toff: 5-1000ns Eoff: 1-500mJ | ||
二極管反向恢復特性 | 反向恢復 | Trr: 5-400ns Qrr:1nC~100uC Irm:0~400A Erec:1~500mJ | 1. 發雙脈沖,脈沖時間在計算機輸入,<4us(總時間) 2. 分辨率:0.1ns 3. 測試精度±5% |
SC | 關斷電流Idmax 關斷峰值電壓Vdsmax | Idmax:0~6000A Vdsmax:0V~1500V | 1. 發單脈沖,脈沖時間<4us,脈沖時間在計算機輸入 2. 分辨率:0.1ns 3. 測試精度±5% |
柵極特性 | 柵電荷 | Qg: 1nC~100uC | 1. 漏極電壓50V~1500V 2. 分辨率:0.1ns 3. 測試精度±5% |
軟件配置

l 采用labview上位機軟件作為人機交互界面
l 畫面顯示內容包括:測試時間、被測器件條碼、測試條件、測試結果、測試波形、測試數據記錄等
硬件方案
i. 示波器采用力科HDO3104。
ii. 電壓探頭采用HVD3220。
iii. 電流探頭采用SDN414同軸電阻。


測試數據示例

服務與支持
免費測樣/軟件更新/定期校準/完善培訓





